Kässbohrer Transport Technik

Kässbohrer Transport Technik achieves 60-90% reduction in electrical documentation turnaround for customer specific vehicle configurations
Menu

Kässbohrer Transport Technik, located in Eugendorf near Salzburg, is one of the world’s leading manufacturers of vehicle transporters. Highest quality requirements and state-of-the-art technologies in production are the basis for technically innovative vehicle transporters with maximum functionality and optimum load factor.

The Austrian manufacturer of vehicle Transporters, Kässbohrer Transport Technik, achieved a substantial improvement in process reliability in the generation of individualized assembly instructions and schematic documentation by implementing E3.series. Turnaround cycles for special projects were reduced by 60 to 90%.

Results

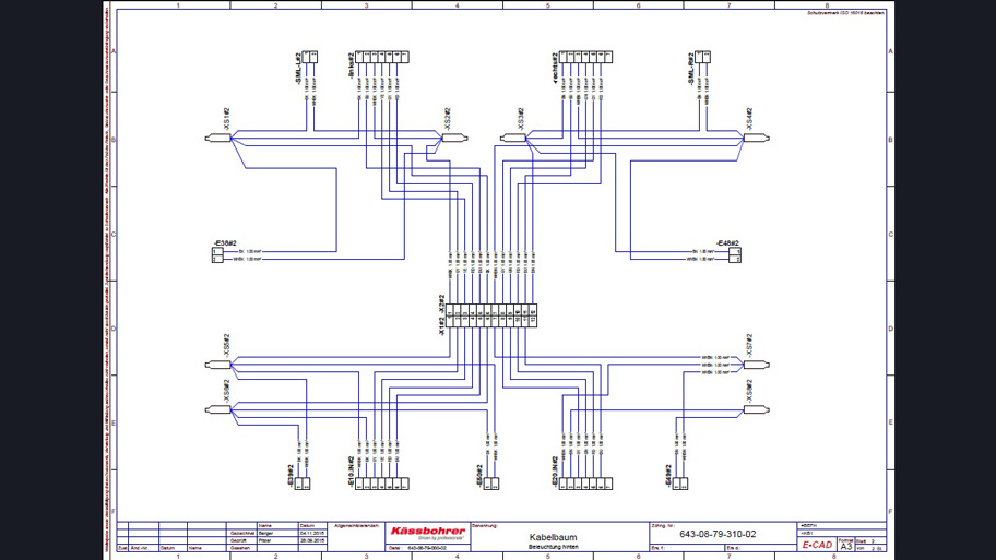
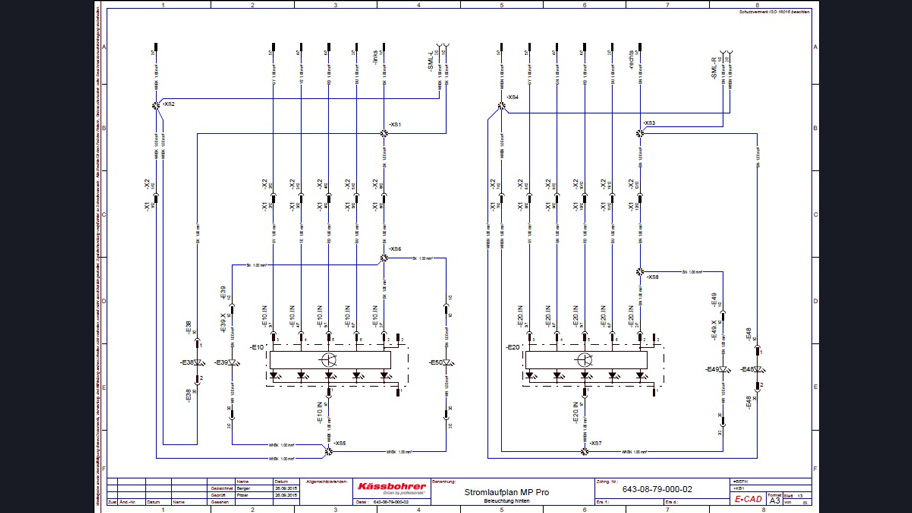
“First of all, we captured all components used in our vehicles in the E3.series library. Whenever we start a new documentation project now, we simply load the components into the projects, create the connections and generate the BOM – that’s it!” What was done in separate, disconnected steps in the past, such as schematics capture, BOM entry and design of the cable plans, can now be done in a single step. The BOM no longer needs to be entered manually, but can be generated at the push of a button from an E3.series project. This is not only faster, but also much less error-prone.

Major fields of future innovation will also be ease-of-use and cost of ownership: “We are already facing a substantial lack of professionally trained drivers,” says Fößl. “Ergonomics, simplification of loading and unloading operations, avoidance of damage, but also savings in operating costs – will all keep us busy in future. Intelligent electromechanical solutions will play a key role here.” With the introduction of E3.series for electrical engineering, Kässbohrer Transprt Technik consider itself well-equipped to address these challenges.

While in the past the different schematic variants were represented on drawing sheets that were not logically connected, now they can be represented as part of one master project, in which the single sheets are logically connected via cross-references, reducing errors. “This is a huge advantage. In the past we used disconnected sheets for the different vehicle types and variants, in which cross-references to related modules needed to be updated manually. With E³.series we generate all the wire harnesses of a vehicle within one single project from which we can generate all documents for production planning and assembly.”

Electrical documentation for an individual vehicle variant is generated 60 to 90 percent faster. From a company perspective, process efficiency and reliability in the production of special vehicles has been significantly improved: “The benefit that we were able to achieve through the introduction of E3.series is that we can not only build projects in batch sizes from one to five, but that we can also provide them with comprehensive CE compliant documentation.”

The benefit that we were able to achieve through the introduction of E3.series is that we can not only build projects in batch sizes from one to five, but that we can also provide them with comprehensive CE compliant documentation.

Horst FößlHead of Engineering, Kässbohrer Transport Technik

Download the full case study Visit the Kässbohrer website

Discuss your design issues with our experts

We can help you craft the best solution for your company’s specific requirements
Get in touch