ARM Automation

achieves two-thirds electrical design time reduction and increases project ROI.
Menu

ARM Automation designs, builds and supports custom automated manufacturing systems for a wide range of industries. The electrical design of these systems can be complex, running up to several hundred drawing sheets. Using E3.series intelligent schematics to drive the electrical design process, the company has reduced their development time by two-thirds.

ARM Automation is frequently called upon by many different industries, from automotive component manufacturing to medical opto-electronics testing; to address difficult manufacturing, assembly, inspection and packaging challenges. ARM Automation begins each project by working closely with customers to understand both the nature of the application and the specific business objectives. Just as no two needs are the same, no one solution or approach can best fit all performance demands, budgets and timelines.

Results

E3.series increased ARM Automation’s efficiency and competitiveness allowing them to bid on more projects with delivery confidence. The E3.series database automatically tracks each of the components used in the project so this information can be reported and used by the assembly team. ARM Automation tracks both the internal part number and the manufacturer’s part number so users can search for components either in the library or in a project. Engineers use this capability to call up all equivalent components from multiple manufacturers so they can obtain competitive bids.

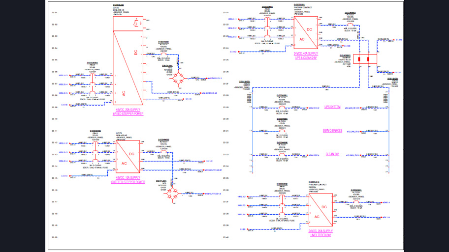
Increasing design complexity and control system sophistication required a change to an intelligent design solution.

“In the past, we sometimes had to shy away from bidding on some more complicated projects because the electrical design could not be completed in the time required by the customer. E3.series is based on an object-oriented database with all modules feeding back to a single data structure. The database adds intelligence to graphics, including tracking connectivity, tracing connections, counting components and enabling new views of the data to be instantly created for downstream users.”

E3.series intelligent design eliminated hours of manual error prone tasks increasing project ROI and design quality.

ARM Automation began the implementation process by creating a library of components that are commonly used in the company’s systems. These library entries are not simply drawings but also have the intelligence to know, for example, how many and what type of connectors are contained on each component. When one of these components is inserted into a schematic and connected to the other components with wire harnesses, E3.series keeps track of the electrical connections and space in the control panel. The software checks the consistency of connectors, ensuring that there are enough pins to handle each wire in an assembly. This intelligence automates many of the downstream activities that had to be performed manually in the past, such as selecting the right mating connector and calculating the available space in control panels. The E3.series database automatically tracks each of the components used in the project so this information can be reported and used by the assembly team. ARM Automation tracks both the internal part number and the manufacturer’s part number so users can search for components either in the library or in a project. Engineers use this capability to call up all equivalent components from multiple manufacturers so they can obtain competitive bids. E3.series reduces checking time by enabling the engineer to simply click on a signal to trace its route through the design.

Debugging a complex design in the field was made significantly easier and more efficient.

The ability to follow a signal through the entire system with the click of a mouse makes it easier to debug a complex system in the field. An example of this is an end effector for a robot that is powered by a trace running from the master cabinet, to the robot controller, to a cable at the base of the robot, through an energy chain to the end effector. In the past, the person doing the build would work with paper schematics and would have to exhaustingly follow each wire from sheet to sheet from the end effector to the cabinet. Now the assemblers use the E3.series viewer to trace the wire throughout its path while highlighting the wire colors as they go through each connector. The entire project is contained in a single file so users can jump from sheet to sheet throughout the drawing. On the panel drawing, they can click on any component to open up the schematic sheet where the part is located with the part highlighted. As the electrician is wring the cabinets, he or she has E3.series viewer open and can jump back and forth between the panel drawing and schematic. Overall design time reduced by 66%

The intelligence contained in the database of E3.series has helped reduce design time to about one-third of the time required in the past. These time savings have made it possible for us to bid on more complex systems without concern that the electrical design could not be completed within the project deadline.

Joe GeisingerChief Technology Office, ARM Automation

In the past, we sometimes had to shy away from bidding on some more complicated projects because the electrical design could not be completed in the time required by the customer.

Joe GeisingerChief Technology Office, ARM Automation

Download the full case study Visit the ARM website

Discuss your design issues with our experts

We can help you craft the best solution for your company’s specific requirements
Get in touch