Believe it or not, you can use your Circuit Block Library for architectural planning too!
Traditional wisdom dictates that a circuit block library can only be used for detail circuit design. The truth is that the proper toolset and solid creative thinking will also give you the same productivity boost, product reliability, and cost benefits at the architectural planning phase too.
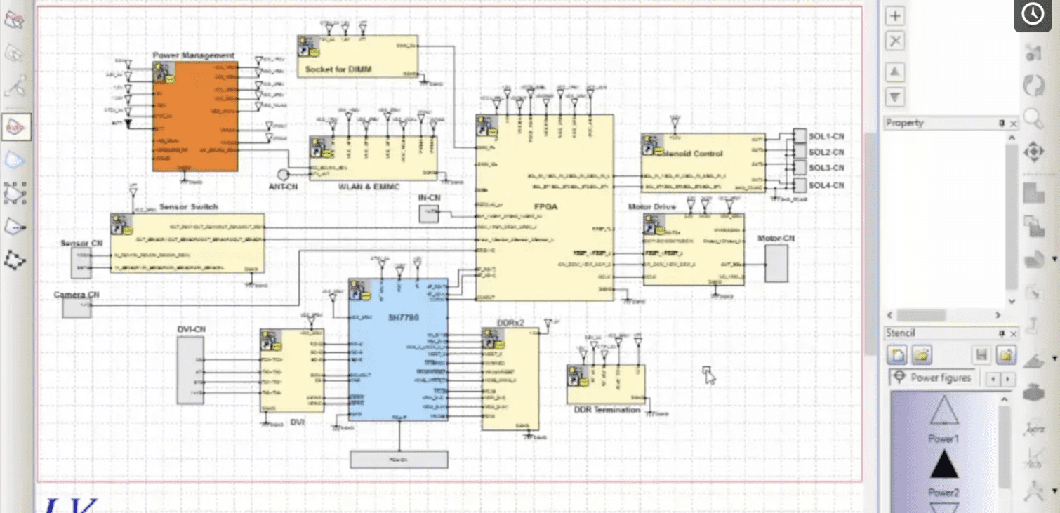
Developing electronic sub-system architectures
The odds are that several to many of the functions you need have already been designed and the ability to tie these sub-system functions to the appropriate logical modules is key to making this happen.
- Access to the same circuit block library that is used by detail design engineering is an absolute must.
- The library needs to be managed:
- Approval control
- Read/write access control
- Easily searchable
- Your architectural planning tool needs to understand the linkage between the function and logical module.
- You need the ability to directly interrogate each logical module for signal interconnects.
- The ability to export a “start point” schematic is a huge advantage.
The video that follows will walk you through:
- How to create a functional block and link it to a circuit block module in the library.
- Interconnecting signals between functional blocks.
- Exporting hierarchical and flat “start point” schematics.
Remember to stay tuned to the Zuken Blog! There is more to come on a similar topic.
Related Content
- Products
System Planner provides a system-level design environment for the architectural planning and optimization of electronic systems and products.
- Products
CR-8000 is a System-Level PCB & IC Package Design software including 3D Multi-board, Analysis and MCAD Integration
- Datasheet
