Connector Handling
The 2021 release of E3.series is focusd on increasing user efficiency through extended functionality in connector handling, 3D control cabinet design, and component database as well as API extensions enabling the creation of user-defined add-on programs and interfaces.
The enhancements, many of which were initiated as part of joint projects with major global E3.series customers, have been designed to make electrical and fluid engineering more intuitive and therefore faster, easier, and more robust.
For connectors with inserts, which combine several connectors into a single complex component, users can leave slots empty reflected in a correctly mapped parts list. This can be entered as a default setting in the E3 database or defined dynamically when configuring the connector in the project.


Additional online checks were introduced for the manual plugging of connectors, which complement E3.series’ automatic selection of mating connectors from the database. If a connector is assigned or modified manually, the error checking functionality looks up eligible mating connectors in the database and issues a warning if an incompatible connector has been selected. The checks also prevent the manual connection of plug on plug or socket on socket.
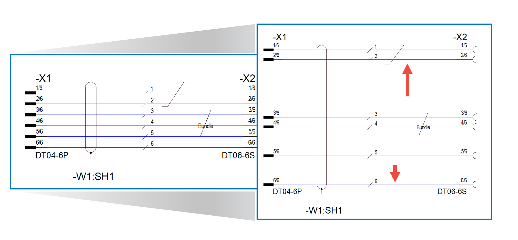
The corresponding symbols shielded or twisted cables can be placed either automatically by using the command ‘auto place bundle’ or manually, in which case the symbols must be resized accordingly by hand. If the connection with the corresponding wire is moved, the sizes of the bundle symbols are automatically adjusted size so that they continue to cover the moved connection.


The functionality has been extended so that the dimension number is automatically placed centered between the dimension objects. In addition, the text can be set to opaque, so that it automatically interrupts the dimension line, if it is placed directly on the dimension line. In addition, the automatic centering of the text can be set individually in its properties.
OLE objects, which by default are sized automatically to fit on the sheet, can now be easily edited and adjusted in sheet size.


The new release allows a combination of grey-scale and color PDF exports, making it possible to for example export in black and white while leaving certain images, such as a company logo, in their original color. In addition, external documents can be fully integrated in a way that they no longer appear as a separate page in the PDF document.

In E3.panel, the 2D/3D cabinet design module of E3.series, the effort for the creation of cabinet and panel models has been significantly reduced. From an imported STEP-file, both the 3D and the 2D graphical representations including the various side views the 2D graphical representation, for which the model dimensions are created automatically. DXF files, which were previously needed for the graphical representation in 2D are no longer required.
The export of 3D information for 3D mechanical CAD systems has been significantly enhanced by converting from STEP to a JT output format, which can be read by all commonly used MCAD systems. This way, not only the graphical representation of cabinet or wire harness designs can be exported (as previously with the STEP format), but also the content of the cabinet or mounting plate including all devices, mounting rails, cable ducts, and wires becomes available.


A new command ‘highlight panel path’ has been added so that the routing path of a wire can be quickly displayed throughout the cabinet. The highlighted path is automatically displayed on all sheets where the wire is represented, as well as on the 3D views. If a sheet is not displayed, it is automatically opened so the user doesn’t have to spend time searching for the required sheet.
For the automatic routing in cable ducts, the fill limit, which was previously set to a fixed percentage of the calculated fill level, can now be adjusted in the settings according to specific needs. A more sophisticated control of the filling limits for cable ducts now allows a differentiated definition of the available space in the various segments of a cable duct. This way, the automatic routing algorithm can allow for reserves for future changes or additional wires.


With a new module within the standard E3.series configuration, E3.ReportGenerator, E3.series users now have the possibility to create individual lists from E3.series without special programming and additional software. Via a graphical user interface, the layout and the content of reports can be created quickly and easily and the output can be generated in many different formats. All lists can of course be loaded into E3 sheets with their defined layout.
For a better overview of the database relations of a component to other symbols or components, they can now be displayed via an additional window with just one click on a selected component in the database tree. This feature delivers quick answers to questions like which assemblies a certain component or which components a certain symbol used.


All new functions and commands of release 2021 are also covered in the application programming interface (API), which is provided as part of the standard E3.series configuration. This interface offers a huge number of functions to not only access the existing data from an E3 project, but also to modify data or to add new data to the project. It is used both, by Zuken’s own E3.series add-on programs as well as by customers and partners who use its functionality to exchange data with an E3 project.
E3.panel allows engineers to layout components inside panel enclosures in both 3D and 2D. Intelligent automatic snapping points allow parts to be easily placed in their correct location.
E3.cable extends the functionality of E3.schematic enabling individual conductors to be combined together in the design to form cables and harnesses.