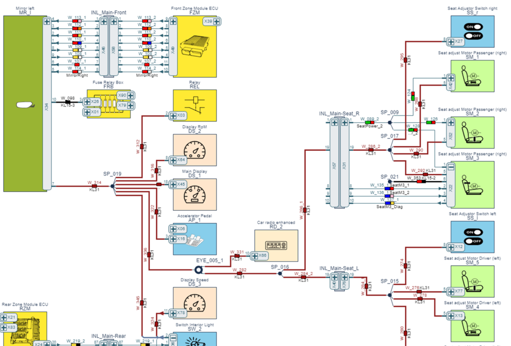
Automatic circuit diagram visualization as part of the digital twin
E3.ConnectivityBrowser is a powerful and innovative technology for the automatic visualization of digital connectivity data in schematic diagrams. Through the implementation as a Windows application and as a true cloud solution, a wide variety of tasks in the automation and automotive industry can be optimally represented. Starting from any object (e.g. a specific component or a predefined module), the connectivity is visualized in a split second with its logical or physical characteristics as a circuit diagram. The user can then interactively expand this circuit according to his interests and thus “browse” through the overall systems.
Special functionality in the E3.ConnectivityBrowser
- Visualization of connection lists as schematic diagrams
- Available as a Windows or as a web application
- Interactive browsing in the automatically generated circuit diagram
- Integration of multimedia content
- Integration into customer systems (e.g. intranet portals, PDM/PLM systems)
- Additional benefits in customer service and maintenance through connection to diagnostic systems
- Independent of authoring system including wire list import in Excel format
